
产品介绍Introduction
水平带式真空过滤机以下简称带式过滤机。带式过滤机是一种利用物料重力和真空吸力来实现固液分离的设备。其独特的结构和工作原理决定了它具有过滤效率高、能耗低、耗用洗涤水少、滤饼洗涤充分、配置简单、运行平稳、噪音低、滤布寿命长等特点,广泛应用于化工、医药、矿山、冶金、脱硫、化肥、食品、建材、废水处理等行业的固液分离作业。
工作原理
过滤机主要是充分利用物料重力和真空吸力实现固液分离的高效设备,其工作原理如下: 环形过滤带由电机经减速机、驱动辊拖动连续运行,过滤带上铺敷滤布,下有密封带,在有真空的情况下在真空箱上与过滤带同步运行。密封带与真空箱滑动接触,接触面间通入压力水进行润滑、冷却。当抽真空时,在过滤带上形成真空抽滤区;料浆由布料器均匀地分布在滤布上,在真空的作用下,滤液穿过滤布经过滤带上的横向沟槽汇集到中间通孔进入真空箱,固体颗粒被滤布截留而形成滤饼;进入真空箱的液体再经气液分离器排出。随着过滤带的移动已形成的滤饼依次进入滤饼洗涤区、吸干区;最后滤布与胶带分开,在改向辊处刮刀将滤饼剥离卸除;卸除滤饼的滤布经冲洗获得再生;再经过托布辊和纠偏装置后重新进入过滤区。
工艺流程
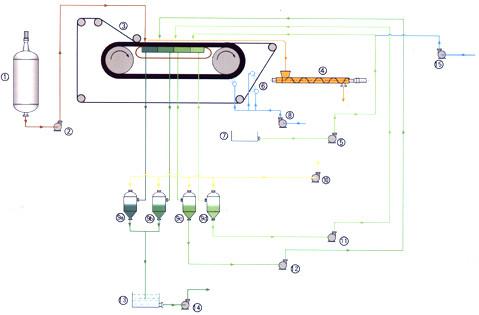
1、基本工艺流程(过滤、脱水)
料浆由从动辊一端加入,经过滤形成滤饼从主动辊一端卸料,滤液经真空箱、气液分离器排出(也可采用大气腿、电控、滤液泵、浮子式等自动排液方式)。适用于滤饼不需要洗涤的工艺操作。图1为工艺流程图。
图1
1料浆罐 2输料泵 3水平带式真空过滤机 4螺旋输送机 5滤布冲洗装置 6给水泵 7真空泵 8气液分离器 9滤液槽 10抽液泵
2、二段并流洗涤工艺流程
在基本工艺流程的基础上,对滤饼增加了两段并流洗涤。适用于滤饼要求洗涤的工艺操作。图2为工艺流程图。

图2
1料浆罐 2输料泵 3水平带式真空过滤机 4给水泵 5螺旋输送机 6滤布冲洗装置 7给水泵 8真空泵 9a滤液气液分离器 9b一段洗涤气液分离器 9c二段洗涤气液分离器 10滤液槽 11抽液泵
3、三段并流洗涤工艺流程
在基本工艺流程的基础上,对滤饼增加了三段并流洗涤。适用于滤饼洗涤要求非常严格的工艺操作。图3为工艺流程图。

图3
1料浆罐 2输料泵 3水平带式真空过滤机 4给水泵 5螺旋输送机 6滤布冲洗装置 7给水泵 8真空泵 9a滤液气液分离器 9b一段洗涤气液分离器 9c二段洗涤气液分离器 9d三段洗涤气液分离器 10滤液槽 11抽液泵
4、三段逆流洗涤工艺流程
在基本工艺流程的基础上,对滤饼增加了三段逆流洗涤。适用于既要滤饼洗涤充分又要节约洗涤水的工艺操作。图4为工艺流程图。

图4
1料浆罐 2输料泵 3水平胶带式真空过滤机 4给水泵 5螺旋输送机 6滤布冲洗装置 7给水泵 8真空泵 9a滤液气液分离器 9b一段洗涤气液分离器 9c二段洗涤气液分离器 9d三段 洗涤气液分离器 10滤液槽 11抽液泵 12二段洗涤循环泵 13三段洗涤液循环泵
5、 洗布水用作洗涤液工艺流程
在基本工艺流程的基础上,对滤饼增加了三段逆流洗涤且将洗布水用作第三段洗涤液。适用于既要滤饼洗涤充分又要非常严格的控制洗涤水用量的工艺操作。图5为工艺流程图。

图5
1料浆罐 2输料泵 3水平带式真空过滤机 4螺旋输送机 5洗布水循环泵 6滤布冲洗装置 7洗布水贮槽 8给水泵 9a滤液气液分离器 9b一段洗涤气液分离器9c二段洗涤气液分离器 9c三段洗涤气液分离器 10真空泵 11三段洗涤水循环泵 12二段洗涤水循环泵 13滤液槽 14抽液泵 15三段洗涤水补水泵
带式过滤机规格型号
|
型号
|
过滤有效宽度 (mm)
|
过滤面积
(m2)
|
真空度
(MPa)
|
真空耗气量
(m3/min)
|
主电机功率
(kw)
|
机架外形尺寸
(m)
|
|
DU2.7/680
|
680
|
2.7
|
0.06
|
4-6
|
2.2
|
7.93×1.48×1.65
|
|
DU4/680
|
4
|
0.06
|
6-8
|
3
|
9.93×1.48×1.65
|
|
DU5.4/680
|
5.4
|
0.06
|
8-12
|
4
|
11.93×1.48×1.65
|
|
DU7.8/1300
|
1300
|
7.8
|
0.06
|
12-16
|
3
|
9.93×2.1×1.65
|
|
DU 10.4/1300
|
7.8
|
0.06
|
15-20
|
4
|
11.93×2.1×1.65
|
|
DU 13.0/1300
|
13.0
|
0.06
|
20-27
|
5.5
|
13.93×2.1×1.65
|
|
DU 14.4/1800
|
1800
|
14.4
|
0.06
|
23-30
|
4
|
11.93×2.6×1.65
|
|
DU 18.0/1800
|
18.0
|
0.06
|
27-36
|
5.5
|
13.93×2.6×1.65
|
|
DU 21.6/1800
|
21.6
|
0.06
|
32-42
|
7.5
|
15.93×2.6×1.65
|
|
DU 16/2000
|
2000
|
16
|
0.06
|
24-32
|
4
|
11.93×2.8×1.65
|
|
DU 20/2000
|
20
|
0.06
|
30-40
|
5.5
|
13.93×2.8×1.65
|
|
DU 24/2000
|
24
|
0.06
|
36-50
|
7.5
|
15.93×2.8×1.65
|
|
DU 28/2000
|
28
|
0.06
|
42-60
|
7.5
|
17.93×2.8×1.65
|
|
DU 25/2500
|
2500
|
25
|
0.06
|
40-60
|
5.5
|
13.93×3.3×1.65
|
|
DU 30/2500
|
30
|
0.06
|
45-75
|
7.5
|
15.93×3.3×1.65
|
|
DU 35/2500
|
35
|
0.06
|
52-87
|
7.5
|
17.93×3.3×1.65
|
|
DU30/3000
|
3000
|
30
|
0.06
|
45-75
|
5.5
|
13.93×3.8×1.65
|
|
DU36/3000
|
36
|
0.06
|
54-100
|
7.5
|
15.93×3.8×1.65
|
|
DU42/3000
|
42
|
0.06
|
63-120
|
7.5
|
17.93×3.8×1.65
|
|
DU70/3500
|
3500
|
70
|
0.06
|
105-175
|
11
|
23.93×4.3×1.65
|
|
DU91/3500
|
91
|
0.06
|
140-225
|
15
|
29.93×4.3×1.65
|
|
DU105/3500
|
105
|
0.06
|
150-265
|
18.5
|
33.93×4.3×1.65
|
|
DU104/4000
|
4000
|
104
|
0.06
|
150-265
|
15
|
29.93×4.8×1.65
|
|
DU120/4000
|
120
|
0.06
|
180-300
|
18.5
|
33.93×4.8×1.65
|
|
DU152/4000
|
152
|
0.06
|
230-375
|
22
|
41.93×4.8×1.65
|
|